李月霞
當前位置:安科瑞電氣股份有限公司>>電量傳感器>>霍爾電流傳感器>> AHLC-72D-S1直流漏電流傳感器 霍爾電互感器 閉環
AHLC-72D-S1 閉環系列直流漏電流傳感器
AHLC-72D-S1應用磁通門原理制作,確保初、次級絕緣,能可靠測量微弱直流信號,供電僅需DC ±12V。
原理與絕緣設計:采用磁通門原理,實現初級與次級電路的電氣隔離,可精準測量微弱直流信號。
易安裝與低功耗:結構設計便于安裝,靜態功耗低(IC=10.0+Is mA),適合長期穩定運行。
寬測量范圍與抗干擾:單型號覆蓋多額定輸入(10mA至200mA),測量范圍為0~±14mA至±280mA,抗外部干擾能力強

二、關鍵電氣參數
( Ta=25°C ,Vc = ± 12VDC,RL =10K?)

電梯電流檢測:實時監測電梯運行中的漏電流,保障設備安全。
直流屏漏電檢測:用于直流屏系統的漏電故障診斷。
電流差值檢測:適用于需要監測電流差異的工業控制場景
四、特性
● 易安裝 Easy installation
● 低功耗 Low power consumption
● 測量范圍寬 Only one design for wide current ratings range
● 抗干擾能力強 High immunity to external interference
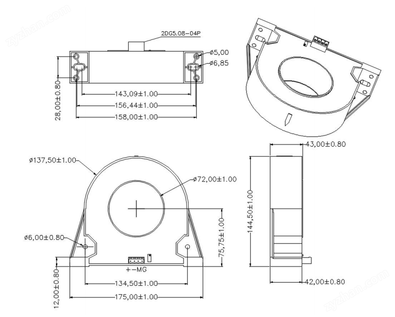
五、結構參數

接續方式:

總公差:< ±1.0mm
初級過孔尺寸: D 72.00±1.0
次級連接器型號: 2EDG5.08-04P
接線要求:被測電流需通過初級引腳輸入,錯誤接線可能導致傳感器損壞。
母排填充:初級過孔(D=72.00±1.0mm)完QUAN充滿母排時,動態性能最佳。
環境限制:工作溫度范圍-10~+70°C,初級導體溫度不超過100°C。
定制化支持:可根據客戶需求調整額定電流與輸出電壓參數。
該傳感器符合EN50178:1998、SJ20790-2000等標準,外殼采用PBT G30/G15材料(UL94-V0級),兼具可靠性與安全性。
請輸入賬號
請輸入密碼
請輸驗證碼
以上信息由企業自行提供,信息內容的真實性、準確性和合法性由相關企業負責,制藥網對此不承擔任何保證責任。
溫馨提示:為規避購買風險,建議您在購買產品前務必確認供應商資質及產品質量。